Zvodič prepätia Eaton SPCT2-280-3+NPE (167620) - T2 20kA 3+N
Kód: 167620Súvisiaci tovar
Podrobný popis
Rýchle zhrnutie: Eaton SPCT2-280-3+NPE (167620) je modulárny zvodič prepätia typu 2 (T2/C). Slúži ako druhá úroveň ochrany v podružných rozvádzačoch pre 3-fázové siete TN-S a TT. Chráni citlivú elektroniku a spotrebiče pred prepätím spôsobeným spínaním v sieti alebo vzdialenými údermi blesku. Má vymeniteľné vložky pre jednoduchú údržbu.
Rýchle parametre
- Typ ochrany: SPD Typ 2 (predtým C) – stredná ochrana
- Sieť: 3-fázová TN-S alebo TT (zapojenie 3+NPE)
- Zvodový prúd: In = 20 kA / Imax = 40 kA (8/20 µs)
- Max. pracovné napätie: 280 V AC
- Konštrukcia: Modulárna (vymeniteľné vložky bez nutnosti odpájania vodičov)
- Signalizácia: Optické okienko (Zelená = OK / Červená = Výmena)
Použitie v praxi
Tento zvodič sa inštaluje do podružných rozvádzačov (bytové, poschodové) ako druhý stupeň ochrany. Je nevyhnutný pre ochranu pred prepätím, ktoré preniklo cez prvý stupeň (T1) alebo vzniklo indukciou v inštalácii. Viac informácií o problematike nájdete v článku Ochrana pred prepätím vo vnútorných inštaláciách.
- Rodinné domy: Inštalácia v podružnom rozvádzači pre ochranu PC, TV, kuchynských spotrebičov a LED osvetlenia.
- Kancelárie: Ochrana serverov, počítačov a citlivej kancelárskej techniky.
- Priemysel: Ochrana riadiacich systémov a strojov v sieťach TT/TN-S.
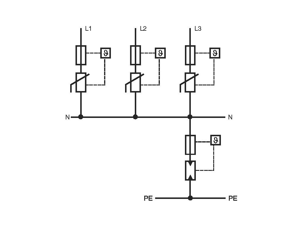
- ✔ Typ siete (3+NPE): Tento model je určený pre 5-vodičové zapojenie (L1, L2, L3, N, PE). Ak máte staršiu 4-vodičovú sieť TN-C (L1, L2, L3, PEN), potrebujete iný typ (napr. 3-pólový SPCT2-280/3).
- ✔ Koordinácia: Pre plnú ochranu musí byť predradený zvodič typu 1 (T1) v hlavnom rozvádzači.
- ✔ Výmena modulov: V prípade poruchy (červené okienko) stačí vymeniť len poškodenú vložku, nie celý prístroj.
Technické parametre
Časté otázky (FAQ)
Kliknutím na otázku sa zobrazí odpoveď.
Kedy použiť tento zvodič typu 2?
Zvodič typu 2 (predtým C) sa používa ako druhý stupeň ochrany. Inštaluje sa do podružných rozvádzačov v objekte, ak je už na vstupe (napr. v elektromerovom rozvádzači) inštalovaný zvodič typu 1. Ak hlavný prívod nie je chránený, odporúčame použiť kombinovaný zvodič T1+T2.
Čo znamená zapojenie 3+NPE?
Znamená to, že prístroj obsahuje 3 varistory pre fázové vodiče (L1, L2, L3) a 1 iskrisko pre nulový vodič (N), ktorý sa spája s ochranným vodičom (PE). Toto zapojenie je určené pre siete TN-S a TT, kde sú vodiče N a PE oddelené.
Aké predistenie (poistku) použiť?
Podľa technických údajov výrobcu je maximálne povolené predistenie 125 A gL/gG. V bežných domových inštaláciách, kde je hlavný istič napr. 25 A alebo 32 A, nie je potrebné inštalovať ďalšie poistky pred zvodič, pretože hodnota hlavného ističa je nižšia ako maximálne povolené predistenie.
Ochráni tento zvodič pred priamym úderom blesku?
Nie, zvodič typu 2 (T2) je dimenzovaný len na zvyškové a spínacie prepätia (vlna 8/20 µs). Pre ochranu pred bleskovým prúdom (vlna 10/350 µs) musí byť na vstupe do objektu inštalovaný zvodič typu 1 (bleskoistka).
Môžem tento model použiť v sieti TN-C (4 vodiče)?
Nie, tento model 3+NPE je určený výhradne pre 5-vodičové systémy (TN-S, TT), kde sú oddelené vodiče N a PE. Pre staršie siete TN-C (L1, L2, L3, PEN) je nutné použiť 3-pólový variant (3xL+PEN), napríklad model SPCT2-280/3.
Dodatočné parametre
| Kategória: | Zvodiče prepätia SPD (ochrana pred bleskom) |
|---|---|
| Hmotnosť: | 0.423 kg |
| EAN: | 4015081640683 |
Hodnotenie tovaru
Buďte prvý, kto napíše príspevok k tejto položke.
Diskusia
Buďte prvý, kto napíše príspevok k tejto položke.
